Новая технология создаёт биоразлагаемые полимерные капсулы из природных мономеров
Полимерные капсулы, способные хранить функциональные вещества, такие как лекарства и ароматизаторы, широко используются в функциональной косметике и товарах повседневного спроса. Однако традиционные капсулы изготавливаются из неразлагаемых полимеров, которые с трудом распадаются в естественной среде. Они считаются одним из факторов проблемы микропластика в океане, и существуют опасения по поводу их воздействия на экосистему и здоровье человека.
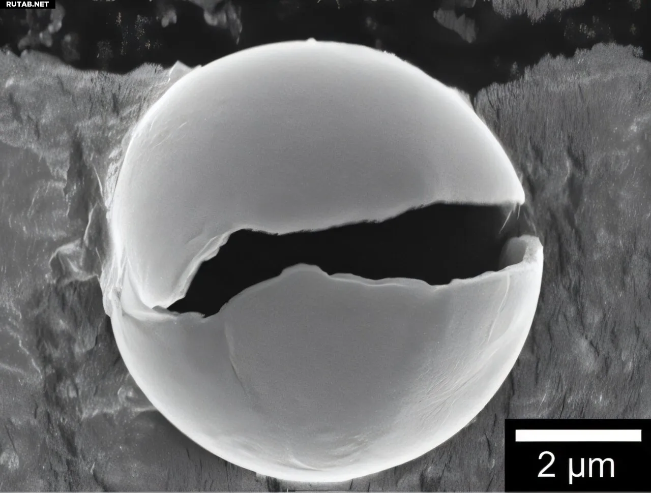
После облучения светом природные мономеры превращаются в полимерные капсулы. Автор: Osaka Metropolitan University
В поисках альтернативы исследовательская группа под руководством доцента Юкии Китаямы из Высшей инженерной школы Столичного университета Осаки разработала новую технологию получения полимерных капсул с использованием природных молекул. Их метод позволяет получать полимерные частицы из фотореактивных мономеров, которые образуются в результате конденсации сложноэфирных связей природных молекул, таких как коричная кислота, содержащаяся в некоторых растениях, и глицерин, содержащийся в липидах, путём их облучения светом.
Более того, можно получить полимерные капсулы, хранящие целевые молекулы, одновременно удаляя непрореагировавшие мономеры.
Исследование опубликовано в журнале Chemical Science.
Учёные также обнаружили, что полимерные капсулы природного происхождения имеют стабильный срок хранения до одного года и при этом легко разлагаются. Капсулы подвергаются фотодеградации под воздействием света короткой длины волны, а также могут быть разложены путём гидролиза сложноэфирных связей, содержащихся в полимере.
«Эти полимерные капсулы могут стабильно инкапсулировать низкомолекулярные флуоресцентные красители и ароматизаторы. Кроме того, увеличив масштаб синтеза в 100 раз по сравнению с обычными методами при сохранении безопасности процесса, мы продемонстрировали их потенциал для промышленного внедрения», — говорит профессор Китаяма.
Команда ставит перед собой цель установить новые принципы проектирования экологически чистых материалов, одновременно применяя их в различных областях, таких как фармацевтика, косметика, парфюмерия и удобрения.
Источник: Osaka Metropolitan University
Интересный факт: Коричная кислота, использованная в исследовании, является природным органическим соединением, которое не только придаёт корице её характерный аромат, но и обладает антиоксидантными и противовоспалительными свойствами, что потенциально может добавить капсулам дополнительные полезные функции.













0 комментариев